
PRODUKTE
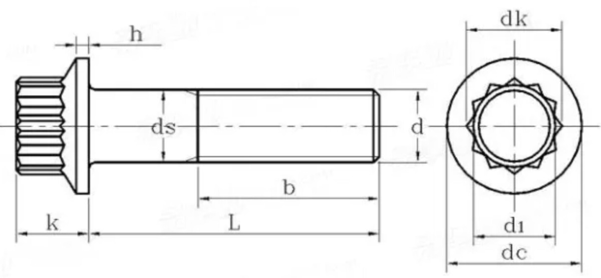
Produktname: Titan 12-Punkt-Flanschkopfschrauben
Material: Gr1,Gr2,Gr5,Gr7,Gr12,Gr23 etc.
Standard: IFI 115 SAE J 58 DIN 65438 ISO 9254 ISO 9255 ASME B 18.2.7.1M ASME B 18.2.5M
Größe: M5-M20×L 1/4"-2"×L
Gewindeverfügbarkeit: Fein- und Grobgewinde UNC Teilweise und vollständig gewindet
Sehr geehrter Kunde, da es sich bei den Elektroden/Elektrolysezellen meist um kundenspezifische, nicht standardisierte Produkte handelt, geben Sie Ihre Designspezifikationen und spezifischen Parameter bitte im Text- oder Tabellenformat an.


Das könnte Sie interessieren




Nachricht