
PRODOTTI
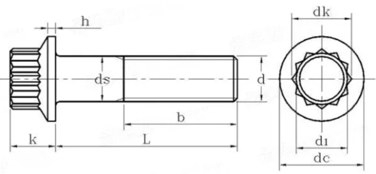
Nome Prodotto: Viti a Testa Flangiata a 12 Punti in Titanio
Materiale: Gr1,Gr2,Gr5,Gr7,Gr12,Gr23 etc.
Standard: IFI 115 SAE J 58 DIN 65438 ISO 9254 ISO 9255 ASME B 18.2.7.1M ASME B 18.2.5M
Dimensioni: M5-M20×L 1/4"-2"×L
Disponibilità Filettatura: Filettature fini e grosse UNC Parzialmente e completamente filettate
Gentile cliente, poiché gli elettrodi/celle elettrolitiche sono per lo più prodotti personalizzati non standard, ti preghiamo di fornirci le specifiche di progettazione e i parametri specifici in formato testo o tabella.


Potresti essere interessato




Messaggio